T Head Dock Bollard
Description:
T head dock bollard is also called Tee bollard, Tee head bollard, it has been designed for carrying wire ropes and widely used for dock. Its capacity from 10T to 200T. We can customize T head dock bollard according to your drawing. If you are looking for T head dock bollard, please contact us for more details.
Features of T Head Dock Bollard:
A T Head Dock Bollard is a type of mooring bollard that is commonly used in marine and waterfront applications. It typically consists of a vertical post that is anchored to a pier or dock, with a horizontal T-shaped head on top. Here are some of the features and characteristics of a T Head Dock Bollard:
1. Material: T Head Dock Bollards are usually made of high-strength materials such as steel or ductile iron to provide the necessary strength and durability to withstand the harsh marine environment.
2. Size and shape: The size and shape of T Head Dock Bollards can vary depending on the specific application, but they typically have a large, flat top that provides a wide surface area for securing mooring lines.
3. Capacity: The capacity of a T Head Dock Bollard refers to the maximum load it can safely handle. This capacity will vary depending on the specific bollard and its design, but it is typically measured in tons or pounds.
4. Installation: T Head Dock Bollards are typically installed on concrete or steel foundations using bolts or other anchoring hardware. The installation process can vary depending on the specific site conditions and requirements.
5. Usage: T Head Dock Bollards are commonly used for mooring large vessels such as cargo ships, tankers, and cruise ships. They provide a secure point for tying off mooring lines, allowing the vessel to remain safely and securely at the dock.
6. Maintenance: To ensure the continued safe and reliable operation of a T Head Dock Bollard, regular maintenance and inspection is required. This may include cleaning, lubrication, and periodic inspections for signs of wear or damage.
Features:
Model Type: Dock Bollard;
Material: Cast Steel or Customized;
Certificates: CCS, ABS, BV, LR, NK, RINA, etc..

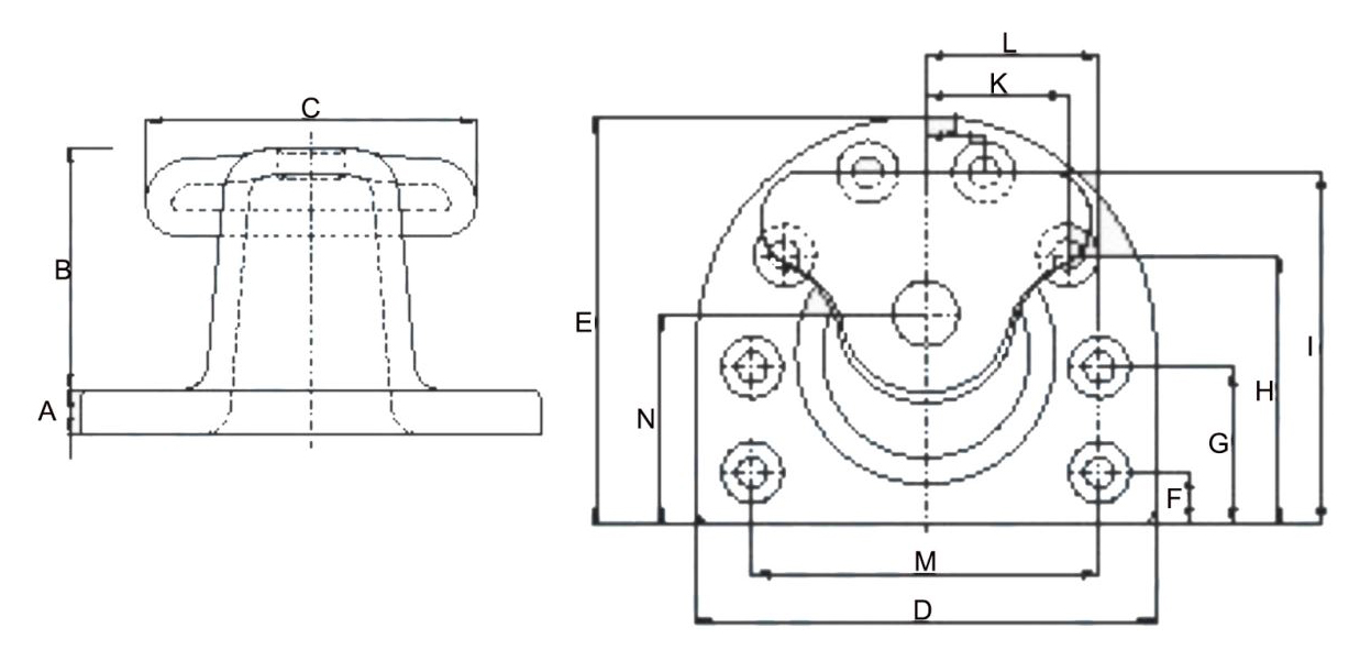
Parameters of T Head Dock Bollard for Reference:
Capacity (tonnes) | A | B | C | D | E | F | G | H | I | J | K | L | M | N | Number of bolt |
10 | 47 | 199 | 305 | 381 | 330 | 44 | - | - | 243 | 103 | - | - | 292 | 189 | 4 |
15 | 52 | 219 | 335 | 419 | 363 | 49 | - | - | 267 | 114 | - | - | 321 | 208 | 4 |
20 | 54 | 240 | 351 | 438 | 380 | 51 | - | 232 | 329 | 0 | 152 | - | 336 | 217 | 5 |
30 | 57 | 250 | 366 | 457 | 396 | 53 | - | 242 | 343 | 0 | 159 | - | 351 | 226 | 5 |
50 | 70 | 308 | 451 | 564 | 489 | 66 | - | 296 | 423 | 0 | 196 | - | 432 | 279 | 5 |
75 | 80 | 354 | 518 | 648 | 561 | 76 | - | 298 | 463 | 105 | 241 | - | 497 | 321 | 6 |
100 | 80 | 413 | 610 | 762 | 660 | 89 | 305 | 406 | 572 | 0 | 195 | 291 | 584 | 377 | 7 |
125 | 87 | 458 | 671 | 838 | 726 | 98 | 335 | 546 | 629 | 0 | 215 | 320 | 643 | 415 | 7 |
150 | 87 | 492 | 719 | 899 | 779 | 105 | 360 | 586 | 674 | 0 | 231 | 343 | 689 | 445 | 7 |
200 | 97 | 521 | 762 | 952 | 826 | 111 | 349 | 559 | 694 | 119 | 299 | 365 | 730 | 472 | 8 |
Tel:+ +8613588244516
Email: