K Head Dock Bollard
Description:
The loading capacity of K head dock bollard is from 15T to 200T. There are several different materials, Cast Iron, Cast Steel or Ductile Iron. Except the dock bollard, we can supply you the fixing parts of them, if you need the fixing parts please contact us.
Features of K Head Dock Bollard:
A K Head Dock Bollard is a type of bollard typically used in marine applications to secure ships or vessels at a dock or berth. Here are some features of a K Head Dock Bollard:
1. K-shaped head: The distinctive feature of a K Head Dock Bollard is its K-shaped head, which provides a secure attachment point for mooring lines.
2. Heavy-duty construction: K Head Dock Bollards are typically made of high-strength cast steel or ductile iron, and are designed to withstand the extreme forces of ship docking and mooring.
Multiple attachment points: A K Head Dock Bollard typically has multiple attachment points for mooring lines, allowing for flexibility in how a vessel is secured.
3. Corrosion-resistant: K Head Dock Bollards are often coated with a layer of protective paint or galvanization to resist corrosion from saltwater and other harsh marine environments.
4. Easy installation: K Head Dock Bollards can be easily installed onto existing docks or piers, and can also be retrofitted onto older docks as a replacement for outdated mooring systems.
5. Compliance with industry standards: K Head Dock Bollards are typically designed and manufactured to comply with industry standards and regulations, such as those set by the International Association of Classification Societies (IACS) and the American Society of Civil Engineers (ASCE).

Parameters of K Head Dock Bollard for Reference:
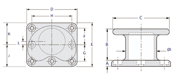
Capacity (Tons) | A | B | C | D | E | F | G | H | I | J | K | L | Bolt |
15T | 40 | 260 | 340 | 320 | 320 | - | - | 220 | 160 | 160 | 160 | - | M24*4(500mm) |
30T | 40 | 280 | 370 | 360 | 360 | - | - | 260 | 200 | 180 | 180 | - | M30*4(500mm) |
50T | 50 | 320 | 480 | 540 | 540 | - | - | 400 | 260 | 270 | 270 | - | M36*4(500mm) |
80T | 70 | 330 | 530 | 560 | 460 | - | - | 420 | 280 | 160 | 160 | - | M42*5(800mm) |
100T | 70 | 350 | 550 | 590 | 490 | 175 | 175 | 450 | 300 | 295 | 195 | 50 | M42*7(800mm) |
150T | 80 | 405 | 728 | 760 | 660 | 250 | 250 | 600 | 400 | 380 | 280 | 50 | M48*7(1000mm) |
200T | 90 | 435 | 800 | 1000 | 850 | 300 | 300 | 750 | 450 | 475 | 375 | 50 | M56*7(1000mm) |
Features:
Model Type: Dock Bollard;
Material: Cast Iron, Cast Steel or Ductile Iron;
Certificates: CCS, ABS, BV, LR, NK, RINA, etc..

Tel:+ +8613588244516
Email: