ISO 13795-2012 Marine Double Bollard Type B
Introduction:
There are two kinds of marine bollard in the standard ISO 13795, type A and Type B. Type A with compact base plate, type B with wide base plate.
Advantages:
ISO 13795-2012 is a standard that sets out the requirements and dimensions for double bollards used in the marine industry. Double bollards are commonly used in ship mooring systems to secure a vessel to a pier or quay. The following are some of the advantages of using ISO 13795-2012 Marine Double Bollard Type B:
1. Standardization: The ISO 13795-2012 standard ensures that all double bollards of Type B are manufactured to a consistent standard. This means that they have the same dimensions, strength, and performance characteristics, making them interchangeable and easy to use.
2. Safety: The standard sets out requirements for the strength and durability of double bollards, ensuring that they can withstand the forces and stresses of mooring a vessel. This enhances safety for both the vessel and the crew during mooring operations.
3. Versatility: Double bollards of Type B can be used in a variety of mooring configurations, making them suitable for a wide range of vessels and docking situations. They are also designed to be used in pairs, providing increased flexibility in the placement of mooring lines.
4. Durability: Double bollards of Type B are made from high-quality materials, such as steel or cast iron, that are resistant to corrosion and wear. This ensures that they have a long service life and require minimal maintenance over time.
5. Ease of installation: The standard provides clear guidance on the installation of double bollards of Type B, making them easy to install and ensuring that they are installed correctly. This reduces the risk of accidents or damage to the vessel during the installation process.
Overall, the use of ISO 13795-2012 Marine Double Bollard Type B offers numerous benefits for the marine industry, including standardization, safety, versatility, durability, and ease of installation.

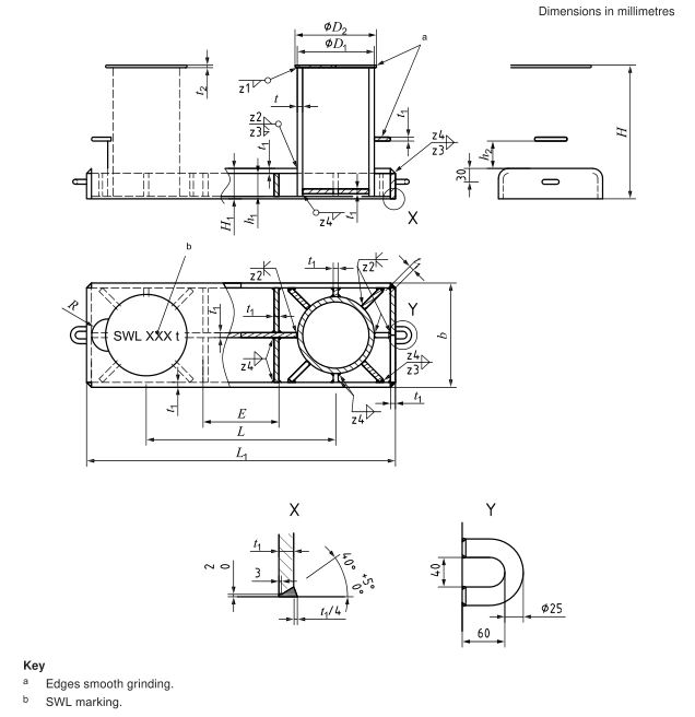
Parameters of ISO 13795-2012 Marine Double Bollard Type B:
Nominal Size Dn | D1 | D2 | H1 | H2 | h1 | h2 | b | L | L1 | E | t | t1 | t2 | R |
150 | 165.2 | 185 | 320 | 80 | 62 | 70 | 225 | 400 | 670 | 145 | 8.0 | 8 | 6 | 40 |
200 | 216.3 | 240 | 365 | 85 | 67 | 70 | 290 | 500 | 860 | 160 | 8.0 | 8 | 6 | 50 |
250A | 267.4 | 290 | 470 | 100 | 79 | 90 | 360 | 630 | 1065 | 215 | 12.0 | 11 | 8 | 60 |
250B | 267.4 | 290 | 470 | 100 | 79 | 90 | 360 | 630 | 1065 | 215 | 10.0 | 8 | 7 | 60 |
300A | 318.5 | 340 | 575 | 125 | 95 | 110 | 430 | 800 | 1300 | 325 | 21.5 | 20 | 9 | 70 |
300B | 318.5 | 340 | 575 | 125 | 95 | 110 | 430 | 800 | 1300 | 325 | 12.0 | 9 | 9 | 70 |
350A | 355.6 | 380 | 655 | 145 | 108 | 130 | 480 | 890 | 1475 | 360 | 26.0 | 23.5 | 11 | 80 |
350B | 355.6 | 380 | 655 | 145 | 119 | 130 | 480 | 890 | 1475 | 360 | 14.0 | 13 | 9 | 80 |
400A | 406.4 | 430 | 705 | 160 | 121 | 145 | 550 | 1000 | 1630 | 400 | 28.0 | 26 | 13 | 85 |
400B | 406.4 | 430 | 705 | 160 | 133 | 145 | 550 | 1000 | 1630 | 400 | 15.0 | 13.5 | 11 | 85 |
450A | 457.2 | 480 | 745 | 170 | 131 | 160 | 620 | 1100 | 1810 | 430 | 29.0 | 26 | 14 | 90 |
450B | 457.2 | 480 | 745 | 170 | 144 | 160 | 620 | 1100 | 1810 | 430 | 14.5 | 13 | 11 | 90 |
500A | 508.0 | 530 | 790 | 190 | 146 | 200 | 690 | 1250 | 2040 | 500 | 32.0 | 29 | 16 | 100 |
500B | 508.0 | 530 | 790 | 190 | 162 | 200 | 690 | 1250 | 2040 | 500 | 14.5 | 13 | 11 | 100 |
550A | 558.8 | 580 | 840 | 210 | 167 | 200 | 750 | 1380 | 2240 | 560 | 31.0 | 28 | 16 | 110 |
550B | 558.8 | 580 | 840 | 210 | 176 | 200 | 750 | 1380 | 2240 | 560 | 21.0 | 19 | 11 | 110 |
600 | 609.4 | 630 | 875 | 225 | 182 | 200 | 820 | 1550 | 2490 | 660 | 33.0 | 28 | 16 | 120 |
SWL of ISO 13795-2012 Marine Double Bollard Type B:
Nominal Size | Welding leg length | SWL | Calculated weight | ||||||||
For mooring purposes (Figure-of-eight belay) | For towing purposes (eye splice) | ||||||||||
Dn | z1 | z2 | z3 | z4 | One-rope use | Two-rope use | |||||
(kN) | (t) | (kN) | (t) | (kN) | (t) | (kg) | |||||
150 | 3 | 3 | 6 | 4 | 54 | 5.5 | 49 | 5.0 | 540 | 10 | 45 |
200 | 3 | 3 | 6 | 4 | 82 | 8.4 | 65 | 6.7 | 795 | 13 | 68 |
250A | 4 | 4.5 | 8 | 6 | 156 | 16 | 134 | 14 | 1736 | 27 | 150 |
250B | 3 | 3.5 | 6 | 4 | 127 | 13 | 108 | 11 | 216 | 22 | 119 |
300A | 4 | 8 | 12 | 10 | 332 | 34 | 306 | 31 | 4365 | 62 | 383 |
300B | 4 | 5 | 8 | 6 | 186 | 19 | 161 | 16 | 353 | 36 | 203 |
350A | 5 | 10 | 14 | 12 | 443 | 45 | 418 | 43 | 6543 | 85 | 582 |
350B | 4 | 5.5 | 8 | 16 | 244 | 25 | 216 | 22 | 3757 | 50 | 333 |
400A | 6 | 11 | 16 | 13 | 594 | 61 | 521 | 53 | 8819 | 106 | 793 |
400B | 5 | 5.5 | 8 | 7 | 326 | 33 | 269 | 27 | 4983 | 67 | 441 |
450A | 7 | 11 | 16 | 13 | 753 | 77 | 612 | 62 | 10820 | 124 | 979 |
450B | 7 | 5.5 | 8 | 7 | 382 | 39 | 292 | 30 | 5837 | 78 | 517 |
500A | 8 | 12 | 17 | 15 | 992 | 101 | 757 | 77 | 14470 | 154 | 1321 |
500B | 5 | 5.5 | 8 | 7 | 457 | 47 | 326 | 33 | 7102 | 93 | 631 |
550A | 8 | 11 | 17 | 14 | 1131 | 115 | 812 | 83 | 16628 | 165 | 1530 |
550B | 5 | 8 | 12 | 10 | 781 | 80 | 541 | 55 | 11949 | 159 | 1059 |
600 | 8 | 11 | 17 | 14 | 1401 | 143 | 948 | 97 | 20042 | 193 | 1850 |

Tel:+ +8613588244516
Email: