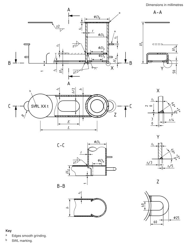
ISO 13795-2012 Marine Double Bollard Type A
Introduction:
ISO 13795-2012 specifies the requirements and dimensions for a type A marine double bollard used for mooring and towing operations on board ships and at port facilities.
A double bollard consists of two vertical posts (or horns) mounted on a base plate with a crossbeam connecting the two horns. The type A double bollard has symmetrical horns with a circular cross-section and a constant diameter along the length of the horn.
The ISO 13795-2012 standard specifies the minimum dimensions for the horns and the base plate, as well as the distance between the horns and the height of the crossbeam. The bollard is designed to withstand a maximum load, which is specified in the standard.
Type A double bollards are commonly used in ports and harbors for mooring larger vessels, such as tankers and container ships. They can also be used for towing operations and are usually made of steel or other durable materials to withstand the harsh marine environment.

Parameters of ISO 13795-2012 Marine Double Bollard Type A:
Nominal Size Dn | D1 | D2 | D3 | D4 | H1 | H2 | H3 | H4 | b | L | E | t | t1 | t2 | R |
150 | 165.2 | 185 | - | 80 | 330 | 90 | 70 | 60 | 155 | 400 | - | 8.0 | 6 | 6 | 40 |
200 | 216.3 | 240 | - | 130 | 395 | 115 | 70 | 60 | 205 | 500 | - | 8.0 | 6 | 6 | 50 |
250A | 267.4 | 290 | - | 160 | 505 | 135 | 90 | 75 | 250 | 630 | - | 12.0 | 9 | 8 | 60 |
250B | 267.4 | 290 | - | 160 | 505 | 135 | 90 | 75 | 250 | 630 | - | 10.0 | 8 | 7 | 60 |
300A | 318.5 | 340 | 150 | 185 | 600 | 150 | 110 | 85 | 290 | 800 | 300 | 21.5 | 16 | 9 | 70 |
300B | 318.5 | 340 | 150 | 185 | 600 | 150 | 110 | 85 | 290 | 800 | 300 | 12.0 | 9 | 9 | 70 |
350A | 355.6 | 380 | 170 | 200 | 685 | 175 | 130 | 105 | 340 | 890 | 350 | 26.0 | 19 | 11 | 80 |
350B | 355.6 | 380 | 170 | 220 | 685 | 175 | 130 | 105 | 340 | 890 | 350 | 14.0 | 10 | 9 | 80 |
400A | 406.4 | 430 | 190 | 230 | 730 | 185 | 145 | 115 | 380 | 1000 | 380 | 28.0 | 20 | 13 | 85 |
400B | 406.4 | 430 | 190 | 250 | 730 | 185 | 145 | 115 | 380 | 1000 | 380 | 15.0 | 11 | 11 | 85 |
450A | 457.2 | 480 | 210 | 265 | 770 | 195 | 160 | 120 | 425 | 1100 | 410 | 29.0 | 21 | 14 | 90 |
450B | 457.2 | 480 | 210 | 285 | 770 | 195 | 160 | 120 | 425 | 1100 | 410 | 14.5 | 11 | 11 | 90 |
500A | 508.0 | 530 | 235 | 295 | 830 | 230 | 200 | 150 | 480 | 1250 | 460 | 32.0 | 23 | 16 | 100 |
500B | 508.0 | 530 | 235 | 320 | 830 | 230 | 200 | 150 | 480 | 1250 | 460 | 14.5 | 11 | 11 | 100 |
550A | 558.8 | 580 | 255 | 330 | 900 | 270 | 200 | 180 | 520 | 1380 | 540 | 31.0 | 22 | 16 | 110 |
550B | 558.8 | 580 | 255 | 350 | 900 | 270 | 200 | 180 | 520 | 1380 | 540 | 21.0 | 16 | 11 | 110 |
600 | 609.4 | 630 | 280 | 365 | 950 | 300 | 200 | 200 | 560 | 1550 | 600 | 33.0 | 23 | 16 | 120 |
SWL of ISO 13795-2012 Marine Double Bollard Type A:
Nominal Size | Welding leg length | SWL | Calculated weight | ||||||
For mooring purposes (Figure-of-eight belay) | For towing purposes (eye splice) | ||||||||
Dn | z1 | z2 | One-rope use | Two-rope use | (kg) | ||||
(kN) | (t) | (kN) | (t) | (kN) | (t) | ||||
150 | 3.5 | 3.5 | 54 | 5.5 | 49 | 5.0 | 383 | 10 | 29 |
200 | 3.5 | 3.5 | 82 | 8.4 | 65 | 6.7 | 579 | 13 | 46 |
250A | 5.5 | 4 | 156 | 16 | 134 | 14 | 1315 | 27 | 107 |
250B | 5.5 | 4 | 127 | 13 | 108 | 11 | 215 | 22 | 91 |
300A | 10.5 | 4 | 332 | 34 | 306 | 31 | 3365 | 62 | 281 |
300B | 10.5 | 4 | 186 | 19 | 161 | 16 | 352 | 36 | 166 |
350A | 12.5 | 5 | 443 | 45 | 418 | 43 | 5062 | 85 | 431 |
350B | 7 | 4 | 244 | 25 | 216 | 22 | 2855 | 50 | 241 |
400A | 12.5 | 6 | 594 | 61 | 521 | 53 | 6632 | 106 | 570 |
400B | 8 | 5 | 326 | 33 | 269 | 27 | 3816 | 67 | 322 |
450A | 12 | 7 | 753 | 77 | 612 | 62 | 8201 | 124 | 712 |
450B | 8 | 7 | 382 | 39 | 292 | 30 | 4483 | 78 | 379 |
500A | 12.5 | 8 | 992 | 101 | 757 | 77 | 10928 | 154 | 960 |
500B | 8 | 5 | 457 | 47 | 326 | 33 | 5474 | 93 | 465 |
550A | 11.5 | 8 | 1131 | 115 | 812 | 83 | 12635 | 165 | 1123 |
550B | 11.5 | 5 | 781 | 80 | 541 | 55 | 9280 | 159 | 787 |
600 | 11.5 | 8 | 1401 | 143 | 948 | 97 | 15539 | 193 | 1391 |

Tel:+ +8613588244516
Email: