ISO 13795-2012 Marine Double Bollard
Introduction:
ISO 13795:2012 is a standard that specifies the requirements and dimensions of marine double bollards. A bollard is a type of post or pole that is commonly used to secure ships or boats to a dock or other mooring location.
The double bollard is a specific type of bollard that is designed to provide greater strength and stability compared to a single bollard. It consists of two vertical posts that are connected by a horizontal crossbar, forming a "T" shape.
The standard covers the materials, construction, and performance requirements of the double bollard. It specifies the dimensions of the bollard, such as the height and width of the posts, the diameter of the crossbar, and the distance between the posts. The standard also outlines the testing procedures that the bollards must undergo to ensure that they meet the specified performance requirements.

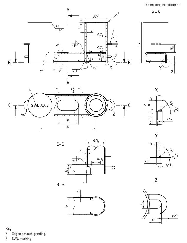
Parameters s of ISO 13795-2012 Marine Double Bollard Type A:
Nominal Size Dn | D1 | D2 | D3 | D4 | H1 | H2 | H3 | H4 | b | L | E | t | t1 | t2 | R |
150 | 165.2 | 185 | - | 80 | 330 | 90 | 70 | 60 | 155 | 400 | - | 8.0 | 6 | 6 | 40 |
200 | 216.3 | 240 | - | 130 | 395 | 115 | 70 | 60 | 205 | 500 | - | 8.0 | 6 | 6 | 50 |
250A | 267.4 | 290 | - | 160 | 505 | 135 | 90 | 75 | 250 | 630 | - | 12.0 | 9 | 8 | 60 |
250B | 267.4 | 290 | - | 160 | 505 | 135 | 90 | 75 | 250 | 630 | - | 10.0 | 8 | 7 | 60 |
300A | 318.5 | 340 | 150 | 185 | 600 | 150 | 110 | 85 | 290 | 800 | 300 | 21.5 | 16 | 9 | 70 |
300B | 318.5 | 340 | 150 | 185 | 600 | 150 | 110 | 85 | 290 | 800 | 300 | 12.0 | 9 | 9 | 70 |
350A | 355.6 | 380 | 170 | 200 | 685 | 175 | 130 | 105 | 340 | 890 | 350 | 26.0 | 19 | 11 | 80 |
350B | 355.6 | 380 | 170 | 220 | 685 | 175 | 130 | 105 | 340 | 890 | 350 | 14.0 | 10 | 9 | 80 |
400A | 406.4 | 430 | 190 | 230 | 730 | 185 | 145 | 115 | 380 | 1000 | 380 | 28.0 | 20 | 13 | 85 |
400B | 406.4 | 430 | 190 | 250 | 730 | 185 | 145 | 115 | 380 | 1000 | 380 | 15.0 | 11 | 11 | 85 |
450A | 457.2 | 480 | 210 | 265 | 770 | 195 | 160 | 120 | 425 | 1100 | 410 | 29.0 | 21 | 14 | 90 |
450B | 457.2 | 480 | 210 | 285 | 770 | 195 | 160 | 120 | 425 | 1100 | 410 | 14.5 | 11 | 11 | 90 |
500A | 508.0 | 530 | 235 | 295 | 830 | 230 | 200 | 150 | 480 | 1250 | 460 | 32.0 | 23 | 16 | 100 |
500B | 508.0 | 530 | 235 | 320 | 830 | 230 | 200 | 150 | 480 | 1250 | 460 | 14.5 | 11 | 11 | 100 |
550A | 558.8 | 580 | 255 | 330 | 900 | 270 | 200 | 180 | 520 | 1380 | 540 | 31.0 | 22 | 16 | 110 |
550B | 558.8 | 580 | 255 | 350 | 900 | 270 | 200 | 180 | 520 | 1380 | 540 | 21.0 | 16 | 11 | 110 |
600 | 609.4 | 630 | 280 | 365 | 950 | 300 | 200 | 200 | 560 | 1550 | 600 | 33.0 | 23 | 16 | 120 |
SWL of ISO 13795-2012 Marine Double Bollard Type A:
Nominal Size | Welding leg length | SWL | Calculated weight | ||||||
For mooring purposes (Figure-of-eight belay) | For towing purposes (eye splice) | ||||||||
Dn | z1 | z2 | One-rope use | Two-rope use | (kg) | ||||
(kN) | (t) | (kN) | (t) | (kN) | (t) | ||||
150 | 3.5 | 3.5 | 54 | 5.5 | 49 | 5.0 | 383 | 10 | 29 |
200 | 3.5 | 3.5 | 82 | 8.4 | 65 | 6.7 | 579 | 13 | 46 |
250A | 5.5 | 4 | 156 | 16 | 134 | 14 | 1315 | 27 | 107 |
250B | 5.5 | 4 | 127 | 13 | 108 | 11 | 215 | 22 | 91 |
300A | 10.5 | 4 | 332 | 34 | 306 | 31 | 3365 | 62 | 281 |
300B | 10.5 | 4 | 186 | 19 | 161 | 16 | 352 | 36 | 166 |
350A | 12.5 | 5 | 443 | 45 | 418 | 43 | 5062 | 85 | 431 |
350B | 7 | 4 | 244 | 25 | 216 | 22 | 2855 | 50 | 241 |
400A | 12.5 | 6 | 594 | 61 | 521 | 53 | 6632 | 106 | 570 |
400B | 8 | 5 | 326 | 33 | 269 | 27 | 3816 | 67 | 322 |
450A | 12 | 7 | 753 | 77 | 612 | 62 | 8201 | 124 | 712 |
450B | 8 | 7 | 382 | 39 | 292 | 30 | 4483 | 78 | 379 |
500A | 12.5 | 8 | 992 | 101 | 757 | 77 | 10928 | 154 | 960 |
500B | 8 | 5 | 457 | 47 | 326 | 33 | 5474 | 93 | 465 |
550A | 11.5 | 8 | 1131 | 115 | 812 | 83 | 12635 | 165 | 1123 |
550B | 11.5 | 5 | 781 | 80 | 541 | 55 | 9280 | 159 | 787 |
600 | 11.5 | 8 | 1401 | 143 | 948 | 97 | 15539 | 193 | 1391 |

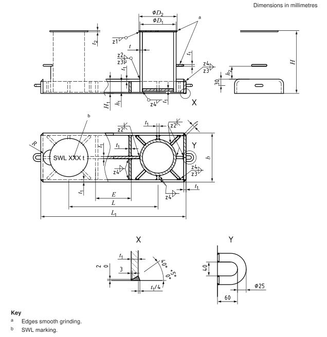
Parameters of ISO 13795-2012 Marine Double Bollard Type B:
Nominal Size Dn | D1 | D2 | H1 | H2 | h1 | h2 | b | L | L1 | E | t | t1 | t2 | R |
150 | 165.2 | 185 | 320 | 80 | 62 | 70 | 225 | 400 | 670 | 145 | 8.0 | 8 | 6 | 40 |
200 | 216.3 | 240 | 365 | 85 | 67 | 70 | 290 | 500 | 860 | 160 | 8.0 | 8 | 6 | 50 |
250A | 267.4 | 290 | 470 | 100 | 79 | 90 | 360 | 630 | 1065 | 215 | 12.0 | 11 | 8 | 60 |
250B | 267.4 | 290 | 470 | 100 | 79 | 90 | 360 | 630 | 1065 | 215 | 10.0 | 8 | 7 | 60 |
300A | 318.5 | 340 | 575 | 125 | 95 | 110 | 430 | 800 | 1300 | 325 | 21.5 | 20 | 9 | 70 |
300B | 318.5 | 340 | 575 | 125 | 95 | 110 | 430 | 800 | 1300 | 325 | 12.0 | 9 | 9 | 70 |
350A | 355.6 | 380 | 655 | 145 | 108 | 130 | 480 | 890 | 1475 | 360 | 26.0 | 23.5 | 11 | 80 |
350B | 355.6 | 380 | 655 | 145 | 119 | 130 | 480 | 890 | 1475 | 360 | 14.0 | 13 | 9 | 80 |
400A | 406.4 | 430 | 705 | 160 | 121 | 145 | 550 | 1000 | 1630 | 400 | 28.0 | 26 | 13 | 85 |
400B | 406.4 | 430 | 705 | 160 | 133 | 145 | 550 | 1000 | 1630 | 400 | 15.0 | 13.5 | 11 | 85 |
450A | 457.2 | 480 | 745 | 170 | 131 | 160 | 620 | 1100 | 1810 | 430 | 29.0 | 26 | 14 | 90 |
450B | 457.2 | 480 | 745 | 170 | 144 | 160 | 620 | 1100 | 1810 | 430 | 14.5 | 13 | 11 | 90 |
500A | 508.0 | 530 | 790 | 190 | 146 | 200 | 690 | 1250 | 2040 | 500 | 32.0 | 29 | 16 | 100 |
500B | 508.0 | 530 | 790 | 190 | 162 | 200 | 690 | 1250 | 2040 | 500 | 14.5 | 13 | 11 | 100 |
550A | 558.8 | 580 | 840 | 210 | 167 | 200 | 750 | 1380 | 2240 | 560 | 31.0 | 28 | 16 | 110 |
550B | 558.8 | 580 | 840 | 210 | 176 | 200 | 750 | 1380 | 2240 | 560 | 21.0 | 19 | 11 | 110 |
600 | 609.4 | 630 | 875 | 225 | 182 | 200 | 820 | 1550 | 2490 | 660 | 33.0 | 28 | 16 | 120 |
SWL of ISO 13795-2012 Marine Double Bollard Type B:
Nominal Size | Welding leg length | SWL | Calculated weight | ||||||||
For mooring purposes (Figure-of-eight belay) | For towing purposes (eye splice) | ||||||||||
Dn | z1 | z2 | z3 | z4 | One-rope use | Two-rope use | |||||
(kN) | (t) | (kN) | (t) | (kN) | (t) | (kg) | |||||
150 | 3 | 3 | 6 | 4 | 54 | 5.5 | 49 | 5.0 | 540 | 10 | 45 |
200 | 3 | 3 | 6 | 4 | 82 | 8.4 | 65 | 6.7 | 795 | 13 | 68 |
250A | 4 | 4.5 | 8 | 6 | 156 | 16 | 134 | 14 | 1736 | 27 | 150 |
250B | 3 | 3.5 | 6 | 4 | 127 | 13 | 108 | 11 | 216 | 22 | 119 |
300A | 4 | 8 | 12 | 10 | 332 | 34 | 306 | 31 | 4365 | 62 | 383 |
300B | 4 | 5 | 8 | 6 | 186 | 19 | 161 | 16 | 353 | 36 | 203 |
350A | 5 | 10 | 14 | 12 | 443 | 45 | 418 | 43 | 6543 | 85 | 582 |
350B | 4 | 5.5 | 8 | 16 | 244 | 25 | 216 | 22 | 3757 | 50 | 333 |
400A | 6 | 11 | 16 | 13 | 594 | 61 | 521 | 53 | 8819 | 106 | 793 |
400B | 5 | 5.5 | 8 | 7 | 326 | 33 | 269 | 27 | 4983 | 67 | 441 |
450A | 7 | 11 | 16 | 13 | 753 | 77 | 612 | 62 | 10820 | 124 | 979 |
450B | 7 | 5.5 | 8 | 7 | 382 | 39 | 292 | 30 | 5837 | 78 | 517 |
500A | 8 | 12 | 17 | 15 | 992 | 101 | 757 | 77 | 14470 | 154 | 1321 |
500B | 5 | 5.5 | 8 | 7 | 457 | 47 | 326 | 33 | 7102 | 93 | 631 |
550A | 8 | 11 | 17 | 14 | 1131 | 115 | 812 | 83 | 16628 | 165 | 1530 |
550B | 5 | 8 | 12 | 10 | 781 | 80 | 541 | 55 | 11949 | 159 | 1059 |
600 | 8 | 11 | 17 | 14 | 1401 | 143 | 948 | 97 | 20042 | 193 | 1850 |
Tel:+ +8613588244516
Email: